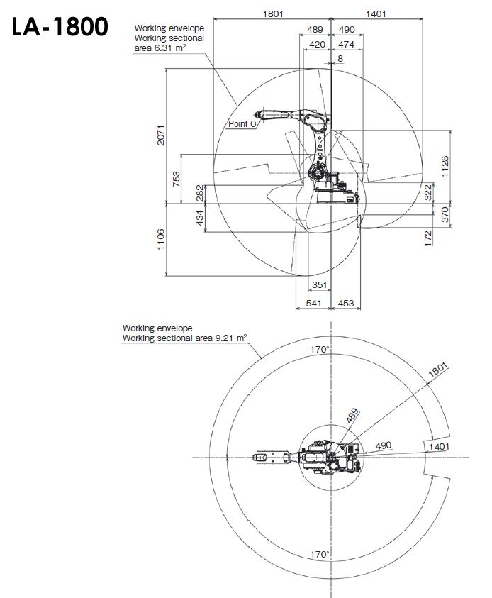
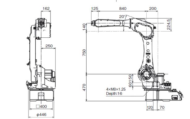
LA-1800
Általános leírás
A Panasonic új generációs LA márkanévre hallgató hegesztőrobotja, egy közepes típusú többcélú robot Megvan az a lehetősége, hogy hegesztő vagy kiszolgálórobotként alkalmazzuk, köszönhetően 26 kg-os terhelhetőségének.

Rendelkezésre álló funkciók:
-Anyagmozgatás áthelyezéshez / összeszereléshez / feldolgozáshoz
-Hegesztő robotokkal harmónikusan együttesen használható
-Hegesztés TAWERS (WG3 / WGH3) de külső áramforrással is használható
-Többfunkciós, a szerszám és a hegesztőpisztoly egyaránt vezérelhető
-Fix szerszámmal használható


-Lehetővé teszi, hogy egy eszközváltó segítségével több folyamatra alkalmazzuk
-Kínáljon optimális hegesztési helyzetet robot kooperatív működésben
-Lehetővé teszi, hogy több munkadarabra alkalmazzuk a sablonok cseréjével

Lehetővé teszi, hogy a Panasonic teljesen digitális hegesztő gépével dolgozzon!

-Lehetővé teszi mind az anyagmozgatás, mind a hegesztési folyamatok alkalmazását egy robot segítségével
-Takarítson meg területet műhelyében!






