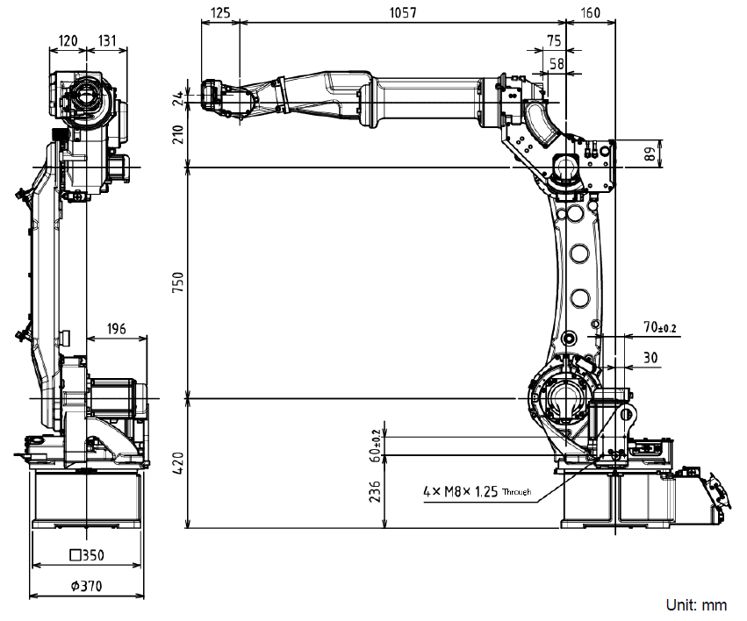
TM-2000 IPARI HEGESZTŐROBOT MANIPULÁTOR - KIMONDOTTAN HEGESZTÉSRE TERVEZVE!
Bővebb információ TM sorozatú hegesztő robotjainkról, ide kattintva érhető el!

| Típus | TM-2000 |
| Vezérelt tengelyek száma | 6 |
| Terhelhetőség (kg) | 6 |
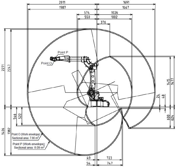
| Maximális karkinyúlás (mm) | 2011 |
| Minimális karkinyúlás (mm) | 550 |
| Munkaterület (mm) | 1461 |
| Maximális mozgási sebesség (° /s) | |
| RT tengely | 195 |
| UA tengely | 197 |
| FA tengely | 205 |
| RW tengely | 425 |
| BW tengely | 425 |
| TW tengely | 629 |
| Pozíció ismétlési pontosság (mm) | +/-0.10 |
| Motorok | |
| Teljes teljesítmény (W) | 4700 |
| Fékek | Mind a 6 tengelyen |
| Installálási pozíció | Padló / Mennyezet* |
| Súly (kg) | 217 |
| * Gyári opció | |







