TM-1100 IPARI HEGESZTŐROBOT MANIPULÁTOR - KIMONDOTTAN HEGESZTÉSRE TERVEZVE!
Bővebb információ TM sorozatú hegesztő robotjainkról, ide kattintva érhető el!

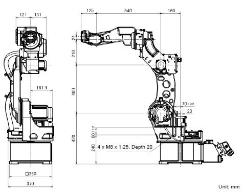
Főbb műszaki jellemzők:
| Típus | TM-1100 |
| Tengelyek száma | 6 |
| Terhelhetőség (kg) | 6 |
| Maximális karkinyúlás (mm) | 1163 |
| Minimális karkinyúlás (mm) | 418 |
| Munkaterület (mm) | 745 |
| Maximális mozgási sebesség (° /s) | |
| RT tengely | 225 |
| UA tengely | 225 |
| FA tengely | 225 |
| RW tengely | 425 |
| BW tengely | 425 |
| TW tengely | 629 |
| Pozíció ismétlési pontosság (mm) | +/-0.08 |
| Motorok | |
| Teljes teljesítmény (W) | 3400 |
| Fékek | Mind a 6 tengelyen |
| Installálási pozíció | Padló / Mennyezet* |
| Súly (kg) | 156 |
| * Gyári opció |






